“机械制图”作业1
(本部分作业覆盖教材第1-2章的内容,要求第五周以前完成)。
1. 将给出图形抄画在右边。(10分)
![图片[1] | 国开电大《机械制图》形考任务1答案 | 零号床学习笔记](https://joowhee.com/wp-content/uploads/2019/10/1572332473-1.png)
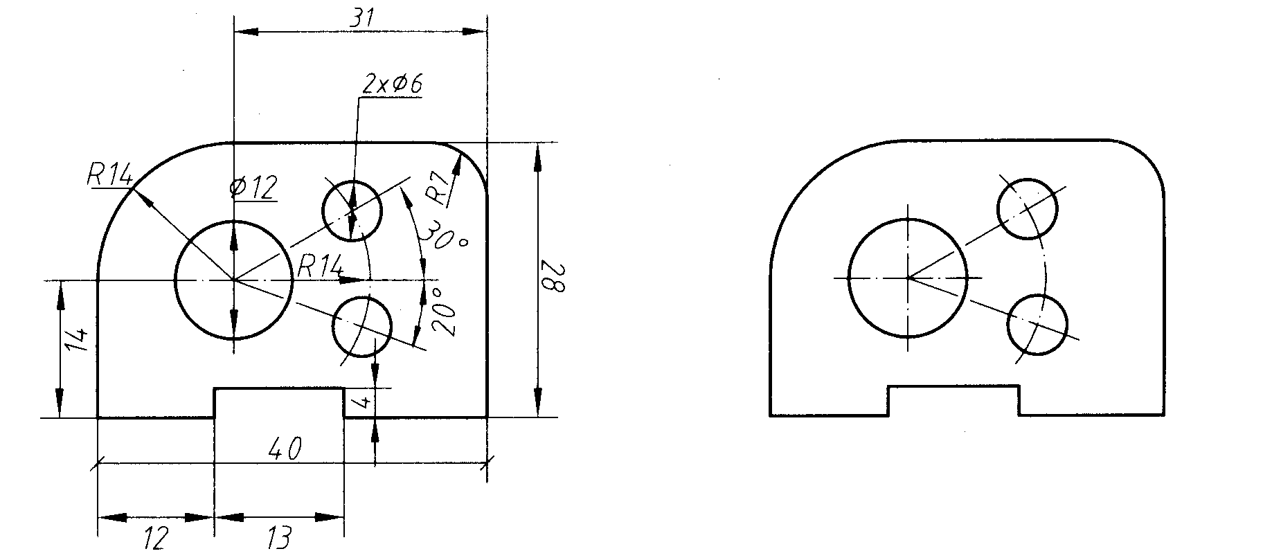
2.分析下列图形的特点,并注出尺寸(数值从图中量,取整数)。(20分)
(1)注出各方向的尺寸 (2)注出角度
![图片[2] | 国开电大《机械制图》形考任务1答案 | 零号床学习笔记](https://joowhee.com/wp-content/uploads/2019/10/1572332827-2.png)
(3)注出狭小部位的尺寸
![图片[3] | 国开电大《机械制图》形考任务1答案 | 零号床学习笔记](https://joowhee.com/wp-content/uploads/2019/10/1572332889-3.png)
(4)注出各圆的直径
![图片[4] | 国开电大《机械制图》形考任务1答案 | 零号床学习笔记](https://joowhee.com/wp-content/uploads/2019/10/1572332925-4.png)
3.尺寸标注改错:下面图形中标出正确的尺寸。(10分)
![图片[5] | 国开电大《机械制图》形考任务1答案 | 零号床学习笔记](https://joowhee.com/wp-content/uploads/2019/10/1572332975-5.png)
4.根据轴测图画出三面投影图(各方向的大小由立体图量出数值并取整数)。(20分)
![图片[6] | 国开电大《机械制图》形考任务1答案 | 零号床学习笔记](https://joowhee.com/wp-content/uploads/2019/10/1572333012-6.jpg)
5.在视图中标出直线AB和CD的第三面投影,并填写它们对投影面的相对位置。(20分)
![图片[7] | 国开电大《机械制图》形考任务1答案 | 零号床学习笔记](https://joowhee.com/wp-content/uploads/2019/10/1572333055-7.png)
6.在视图中标出平面P和Q的第三投影,并判断它们对投影面的相对位置。(20分)
![图片[8] | 国开电大《机械制图》形考任务1答案 | 零号床学习笔记](https://joowhee.com/wp-content/uploads/2019/10/1572333070-9.png)
![图片[9] | 国开电大《机械制图》形考任务1答案 | 零号床学习笔记](https://joowhee.com/wp-content/uploads/2019/10/1572333070-10.png)
点击自动生成国家开放大学毕业论文,格式自动生成,电子版word文档论文可下载打印
© 版权声明
分享是一种美德,转载请保留原链接
THE END














